Katup bola listrik

Katup bola tiga arah
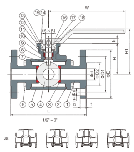
Katup bola tiga arah elektrik adalah jenis baru katup bola sakelar tiga arah, yang dapat digunakan untuk mengontrol pembalikan, divergensi, atau pertemuan media dalam tiga jalur pipa. Menurut struktur inti bola yang berbeda, dapat dibagi menjadi port T atau port L atau port T listrik Perbedaan antara katup bola tiga arah dan katup bola tiga arah elektrik port L terutama terletak pada perbedaan struktur internal. Tidak ada perbedaan dalam penampilan! Katup bola port T dapat menghubungkan tiga jalur pipa ortogonal satu sama lain dan memotong saluran ketiga untuk membagi dan menggabungkan aliran, sedangkan katup bola port L hanya dapat menghubungkan dua jalur pipa yang saling ortogonal dan tidak dapat mempertahankan aliran bersama dari jalur pipa ketiga pada saat yang sama. Konektivitas hanya memainkan peran distribusi.
Katup bola tiga arah dapat secara fleksibel memotong, mendistribusikan, dan mengubah arah aliran media. Permukaan penyegelan katup bola biasanya dalam keadaan tertutup dengan permukaan bulat, sehingga tidak mudah terkikis oleh media. Mudah dioperasikan, memiliki struktur yang sederhana dan kompak, dan dapat digunakan dalam kondisi kerja dengan air, gas alam, asam, pelarut, dll.

Keunggulan produk

Kerusakan struktural, jelas sekilas
Produsen yang dapat menahan tekanan lebih besar, detail standar menentukan kualitas

Kinerja stabil
Membuat badan katup lebih kuat dan tahan lama, produk memiliki kinerja penyegelan yang baik, kapasitas aliran tinggi dan koefisien hambatan aliran kecil.

Keunggulan teknis
Presisi dan tahan aus, penyimpangan kecil, jaminan kualitas, desain baru, struktur wajar, ringan, pembukaan dan penutupan cepat
Fitur
◆Diameter port T/port L/port X yang diperkecil: 1/2~6 (DN15~DN150)
◆Tekanan kerja: KELAS 150/300 PN16/40 10K
◆Suhu pengoperasian: -20C~180C
◆Standar Amerika ANSI KELAS 150
◆Standar desain: ASME B16.34API608API6D
◆Desain perangkat antiledakan batang katup
◆Standar flensa: ASME B16.51
◆Desain beban dinamis pegas kupu-kupu ganda
◆Inspeksi & Pengujian: AP1 598
◆Pengecoran presisi
◆Perangkat antistatis (opsional)
◆Desain dudukan 4 katup
◆Pegangan berputar 360 derajat
◆Pegangan yang dapat dikunci
◆Desain platform tinggi instalasi langsung ISO5211
◆Perangkat otomatisasi (opsional)
◆Standar Jerman DIN PN16
◆Standar desain: EN1983EN12516-1
◆Standar flensa: EN1092-1 PN16/40
◆Inspeksi & Pengujian: EN12266-1
◆Standar Jepang: JIS 10K
◆Standar desain: JIS B2071
◆Standar flensa: JIS B2220
◆Inspeksi & Pengujian: JIS B2003


Pemeriksaan kualitas produk sebelum meninggalkan pabrik
1. Periksa produk yang diproduksi pada jalur produksi aktuator listrik setiap hari, inspeksi 100%. Pertama, buka penutup indikator dan periksa apakah kabelnya bagus, apakah cam batas di arah pembukaan dan penutupan terangkat sepenuhnya, dan apakah posisi penunjuk konsisten dengan posisi aktuator yang sebenarnya. , apakah sekrup di dalam dikencangkan, periksa apakah penutup belakang sudah benar, dan periksa apakah ada cat yang mengelupas pada tampilan aktuator listrik. Kotoran, kunci pas manual, konektor tahan air, sumbat debu manual, kaca penglihatan, dan kelenjar kaca penglihatan semuanya dipasang. Setelah semuanya benar, gunakan mesin penanda laser untuk menandai nomor produk di bagian belakang aktuator listrik. Nomor produk harus mencantumkan tanggal hari itu, dan akhirnya simpan busanya.
2. Pemeriksaan set katup yang lengkap: Setelah operator jalur produksi pemasangan katup menyelesaikan debugging, ia akan membawa pesanan produksi ke inspektur kualitas, dan inspektur kualitas akan memeriksa pesanan produksi dan produk satu per satu (item pemeriksaan: jumlah katup, diameter, bahan, metode penyambungan. Apakah tekanan sesuai dengan pesanan produksi, apakah tegangan, jenis kontrol, metode penyambungan aktuator listrik, apakah itu produk antiledakan, dan apakah itu sesuai dengan pesanan produksi, apakah sekrup katup dan aktuator listrik dikencangkan, apakah ada yang hilang)
3. Pemeriksaan sebelum pengepakan: Periksa apakah jumlah produk, model, voltase, metode kontrol, dan suku cadang sesuai dengan pesanan produksi.
4. Pemeriksaan produk pemeriksaan acak di pusat pemrosesan: Setiap pagi dan sore, bawa daftar item pemeriksaan ke pusat pemrosesan dan pilih secara acak satu produk olahan dari setiap mesin. Cari operator pusat pemrosesan dan minta dia mengukur satu per satu sesuai dengan daftar item pemeriksaan. , dan simpan catatannya.
Tag populer: katup bola listrik plastik tiga arah, Cina, produsen, pemasok, pabrik, beli, harga, kutipan
